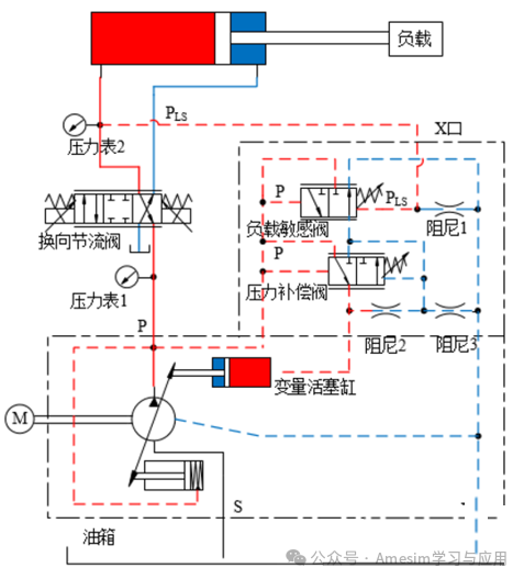
负载敏感泵原理图如图1所示,核心是负载敏感阀,也称为压力-流量控制阀(与多路阀中定差减压阀类似),右侧弹簧为软弹簧,一般设定14-20bar(弹簧预紧力/阀芯面积);下面的阀为压力补偿阀(切断阀),弹簧为硬弹簧,一般设置25-35MPa,该阀的功能相当于溢流阀,通常不开启,控制系统的最大压力。3个阻尼孔(0.3mm左右),会使时很小流量泄漏,损失能量,但提高阀芯稳定性,降低压力波动,也可以及时卸掉多路阀、泵的困油;

图1 负载敏感泵原理图(点线框内)
从泵中引出的控制油经过负载敏感阀的阀口(可视为可变液阻)与阻尼3可组成C型液压半桥,当压力补偿阀的左位工作时,压力补偿阀阀口与阻尼2、3(阻尼2、3串联为固定液阻)组成C型液压半桥,这两个C型液压半桥控制进入变量活塞缸的油液压力,根据C型半桥的特性(降低压力和流量增益),阀口的变化不会引起变量活塞缸内油液压力的剧烈变化,可以提高控制稳定性,泵的排量控制稳定,也有利于减少对执行机构的压力冲击;泵的变量通过变量活塞缸控制(怎么判断原理图中泵的排量是变大还是变小呢?看图中斜盘的倾角,当上变量缸向左移时,斜盘倾角减小,排量减小)。该泵出油口串联一个节流阀(该节流阀具有节流调速功能,可以是换向节流阀,多路阀,电液比例节流阀),然后与负载(系统)相连接,在负载引出控制压力(图中是PLS,即Load Sensing或LS口)至变量泵的X口,进入负载敏感阀的左侧,而阀右侧引入的控制压力为泵的出油口压力P。
当泵为启动时,可以查看图1,由于弹簧力作用,两个阀均右位工作,变量活塞缸(简称变量缸)通过阻尼孔2、3连接油箱(压力为0),斜盘在下活塞缸(弹簧力)作用下倾角最大,即泵将在最大排量状态下启动。
如图2所示,泵压力逐步升高,压力作用在阀芯左端,但泵压力(泵P)<弹簧力,阀芯还是右位工作,泵最大排量运行。

图2 泵最大排量起动
如下图3所示,当换向阀还在中位时,泵的压力逐步增大,泵压力(泵P)>弹簧力,但泵输出流量不能达到负载,困在泵和管路中,相当于在密闭容腔内,泵压力会在极短时间内升高,负载敏感阀将受到高压油的作用,克服预先设定的弹簧力,阀芯右移,左位工作。同时高压油被引入至两个变量缸(上活塞缸面积大),斜盘摆角减小,泵的排量将会达到最小,流量降低最小,仅能满足泵的泄漏,压力为20bar(负载敏感阀设定的弹簧力,LS口压力为0),泵处于低压待机工况。

图3 泵启动换节阀处于中位时泵处于低压待机工况
如下图4所示,当换向阀切换到工作位时,但不能推动负载移动,此时油缸负载流量为0。负载压力接通Ls,即泵出口压力=负载压力=LS压力,负载敏感阀在弹簧力作用下,右位工作,两个变量缸压力相等,在弹簧力作用下,泵摆角增大,泵处于最大排量工况,系统流量向增大趋势运行。

图4 换向阀处于工作位,压力尚不能推动负载
随着流量增大(压力也会增大),泵输出压力能推动负载,此时,通过换向阀的流量不为0,即泵的流量会产生压降,即泵的压力>负载压力=LS口压力,维持泵P=PLS+F弹。假如等式左边大,会推动负载敏感阀向左移动(开口减大),上活塞缸压力流量增加,摆角减小,流量减小,从而泵的压力减小;当等式右边大时,会推动负载敏感阀向右移动(开口减小),上活塞缸压力减小,摆角增大,增加系统流量,从而使泵的压力增大。
结合以上,会根据负载压力的增大或减少,调节泵的流量,负载敏感阀会始终维持泵P=PLS+F弹在一个动态调节范围。动态条件范围或负载敏感阀调节范围(系统压力不超过切断阀设定压力,0<摆角<1)。 随着负载增大,泵的压力就会增大,假如不考虑换向阀调节,泵全程最大排量运行(压力未达到切断阀设定压力前),如果考虑换向阀比例控制,则可以通过控制比例阀信号,来调节系统流量,从而控制泵的流量。即感应系统的压力和流量需求,提供所需的压力和流量,此即负载敏感系统的含义。

图5 换向阀处于工作位负载运动时
如图6所示,换节阀仍处于右位工作,油缸升到最大(负载达到最大),油缸无杆腔压力会憋高,直到达到压差补偿阀35MPa,由于泵出口到负载口无流量流动,故负载敏感阀P口和LS口压力一致,FP<FPLS+F弹,负载敏感阀右位工作(负载敏感阀失效)。泵出口流量会进入上边变量缸体,使泵的摆角减小,排量降低,泵的输出流量仅能满足内泄漏,此种工况下泵的输出压力为压力补偿阀的设定压力,负载流量为0,称为泵的高压待机工况。

图6 换节阀不动但液压缸运动至终点时,泵处于高压待机工况
当换向阀回到中位时,如下图7所示(与序号3状态一致)。LS口会把换向阀压力卸掉,泵出口压力通过阀作用在上活塞缸,使泵的排量减少,仅仅维持泵的泄漏(阻尼孔外泄漏,泵间隙内泄漏),泵的压力也会变小,压力补偿阀关闭,负载敏感阀打开,泵出口压力等于LS设定压力20bar,处于低压待机状态。

图7 换节阀切换至中位,泵再次处于低压待机工况。