1.原理介绍

2.仿真模型总体介绍
在液化系统中,4 级中冷压缩机将空气加压至 10 MPa。一部分高压空气由冷水机冷却,然后通过节流阀膨胀。由于焦耳-汤姆逊效应,这会导致一些空气液化。剩余部分的高压空气通过膨胀器发送,以冷却空气,同时恢复一些动力。未液化的冷低压空气通过冷水机的另一侧制冷高压空气,然后返回压缩机完成循环。
在发电系统中,液态空气从储罐泵送到蒸发器,在那里从大约 80 K 加热到环境温度。这会导致液态空气蒸发并产生 6.5 MPa 的压力。高压空气通过三级涡轮机膨胀,再加热以产生动力。
为了提高充放电循环的往返效率,增加了三个热存储器。低品位热储存器捕获压缩过程中的废热,并用它来提高进入涡轮机的空气温度,从而增加发电量。高品位冷库捕获蒸发过程中液态空气的废冷,低品位冷库捕获涡轮机排气中的废冷。两者都用于帮助冷水机中的高压空气制冷,以降低液化功耗。
该系统在充电过程中消耗约 10 MW 的电力,在放电期间产生约 1.8 MW 的电力。在 10 小时内储存约 15 MWh 的能量。往返效率约为15%。

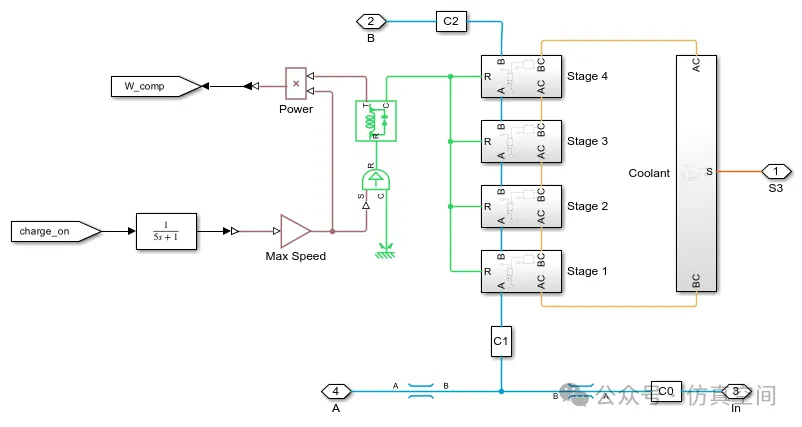
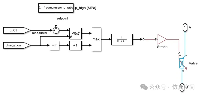
3.模型子系统
















4.仿真结果分析
总体效率分析
仿真3个充放电的循环周期
下图显示充电循环期间液化空气消耗的净功率和放电循环期间储存的液态空气产生的净功率。充电时消耗约 10 MW,放电时产生 1.8 MW。充电和放电阶段各运行 10 小时,使系统能够存储约 15 MWh 的能量,这是根据大气和液态空气之间的焓差计算得出的。充电周期的时间平均效率约为26%,放电周期的时间平均效率约为56%,整体往返效率约为15%。

充放电能量分析
下图的顶部子图显示了充电循环液化单位质量空气所消耗的功,以及放电循环从单位质量的液态空气中产生的功。底部子图显示液化产率,定义为每单位质量压缩空气产生的液态空气质量。从第二个充电循环开始,由于冷蓄热的提升,在循环开始时液化空气和产量更大。随着热存储恢复到环境温度,功和产量在循环过程中稳定下来。

下图显示了充电周期内消耗的净功率和放电周期内产生的净功率。在充电循环期间,液化系统中的膨胀器抵消了所需总功率的约 24%,从而产生约 10 MW 的净功耗。在放电周期内,净发电量约为 1.8 MW,随着热储热量的耗尽,净发电量稳定在约 1.7 MW。

下图的顶部子图显示了空气通过系统中关键组件的质量流量。在充电循环期间,压缩机通过液化系统驱动约 27 kg/s 的空气。超过 70% 的压缩空气通过膨胀机转移,以回收部分功件并提高循环效率。产生约 6.5 kg/s 的液态空气。在排放循环期间,泵从储罐中消耗 7.5 kg/s 的液态空气来运行涡轮机。
而底部子图显示了罐中液态空气的质量。从第二个充电周期开始,产生约 150 公吨液态空气并将其储存在罐中。从范围中可以看出,这相当于约 15 MWh 的储能。

下图显示了冷热储热器的性能。这两个冷库从液态空气的膨胀中捕获约 5.1 MWh 和 2.3 MWh 的能量,并将约 3.8 MWh 和 1.7 MWh 释放到充电循环中。同样,热存储从空气压缩中捕获约 3.5 MWh 的能量,并将其中约 2.2 MWh 释放到放电循环中。

总体压焓图
下图显示了充电过程中克劳德循环的压焓图。

下图显示了放电过程中朗肯循环的压焓图。

如需学习Simulink/Simscape物理仿真,在公众号发送:
“simulink机械”
“simulink液压”
“simulink热管理”
欢迎大家一起加入群聊,公众号发送“加群”